Regulator de temperatură pentru montare pe panou ON-OFF/Proporțional , până la 400ºC

205,00 lei

Out of stock

SKU: AD-96 Categorie: Brand:
Descriere

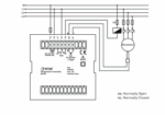
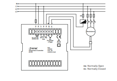
Termostat / regulator de temperatură în 2 puncte pentru montare pe panou ON/OFF ON/OFF sau modul de control proporțional, domeniul de măsurare 0°C ... +400°C, rezoluție / pas 1ºC (fabricat în Turcia, TENSE)

Controlul și monitorizarea proceselor termice ale sistemelor de încălzire, aer condiționat și ventilație, automatizarea clădirilor, instalații industriale.

  • Tip senzor: Tip J, Fe-Const, T/C

  • Ieșiri releu OUT (NO+NC) 250VAC, 2A

  • Histerezis
  • Memorie EEPROM pentru salvarea setărilor

Nu uitați să comandați senzorii noștri de temperatură - termocuplu tip J Fe-Const (6/8 metric) cu scala de măsurare a temperaturii: -100 °C - +600 °C. Poate fi cu cablu lung de 1 m, 1,5 m, 2 m, 2,5 m, 3 m, 4 m și 5 m

Informații suplimentare

Date tehnice

Tip senzor: J, T/C, Fe-Const

Tensiune de funcționare: 100-240 VAC

Putere de funcționare: <6VA

Temperatura de funcționare: -20 °C .... +50 °C

Tip de conectare: Clemă de conectare

Fixare: Modul plug-in: Modul plug-in pentru conectarea la rețea: Clemă: jug de prindere