RGT-12E - Regulator de putere reactivă 12 niveluri +TCR
1.268,00 lei
5 în stoc
Regulator de factor de putere cu 12 trepte + TCR cu afișaj LCD grafic de 2,9" (TENSE)
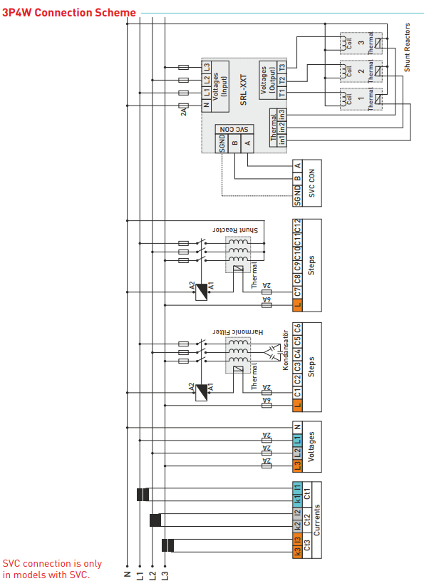
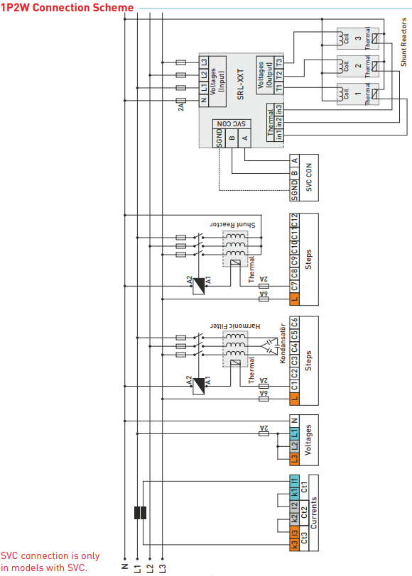
Regulatorul de putere reactivă RGT-12E (TENSE) este un dispozitiv complet automat pentru comutarea optimă a treptelor de compensare.
Procesarea digitală a valorilor măsurate de regulator asigură o precizie ridicată în evaluarea tensiunii, curentului și factorului de putere efective.
Instalarea dispozitivului este complet automată - regulatorul însuși determină dimensiunea treptelor individuale de compensare conectate. De asemenea, acești parametri pot fi introduși direct manual.
Regulatorul pornește și oprește treptele de compensare, astfel încât puterea reactivă să fie reglată cu un număr minim de operații de comutare. În același timp, regulatorul ia în considerare încărcarea uniformă a etajelor individuale și comută în mod preferențial acele etaje care au fost scoase de sub tensiune pentru cea mai lungă perioadă de timp și pentru care sarcina reziduală este minimă. În timpul procesului de reglare, treptele de compensare sunt monitorizate continuu în paralel - sunt detectate defecțiunile și modificările valorilor, treptele scoase temporar sunt testate periodic și, dacă este necesar, sunt reintroduse în procesul de reglare.
Intrarea generatorului și compensarea generatorului
Pot fi setate timpii de pornire, de descărcare și de decontare
Se poate conecta un condensator monofazat, bifazat și trifazat și un reactor șunt
Tensiunea și curentul armonic pot fi observate până la 31 de armonici
Energia totală poate fi monitorizată (import/export)
Pot fi observate valorile THD-V și THD-I ale fiecărei faze
Crearea analizei de putere (20 de eșantioane 9999 min.) - pentru selectarea condensatorului
Date tehnice
Instalare: pe panoul frontal
Orificiu de montare: 140 mm x 140 mm
Tip de conectare: clemă cu fișă
Fixare: fișă pentru priză: Fixare: jug de prindere
ARS
Bafra
ByLion
NOAS