Regulator for single-phase pump up to 30A
487,00 lei
Out of stock
Description
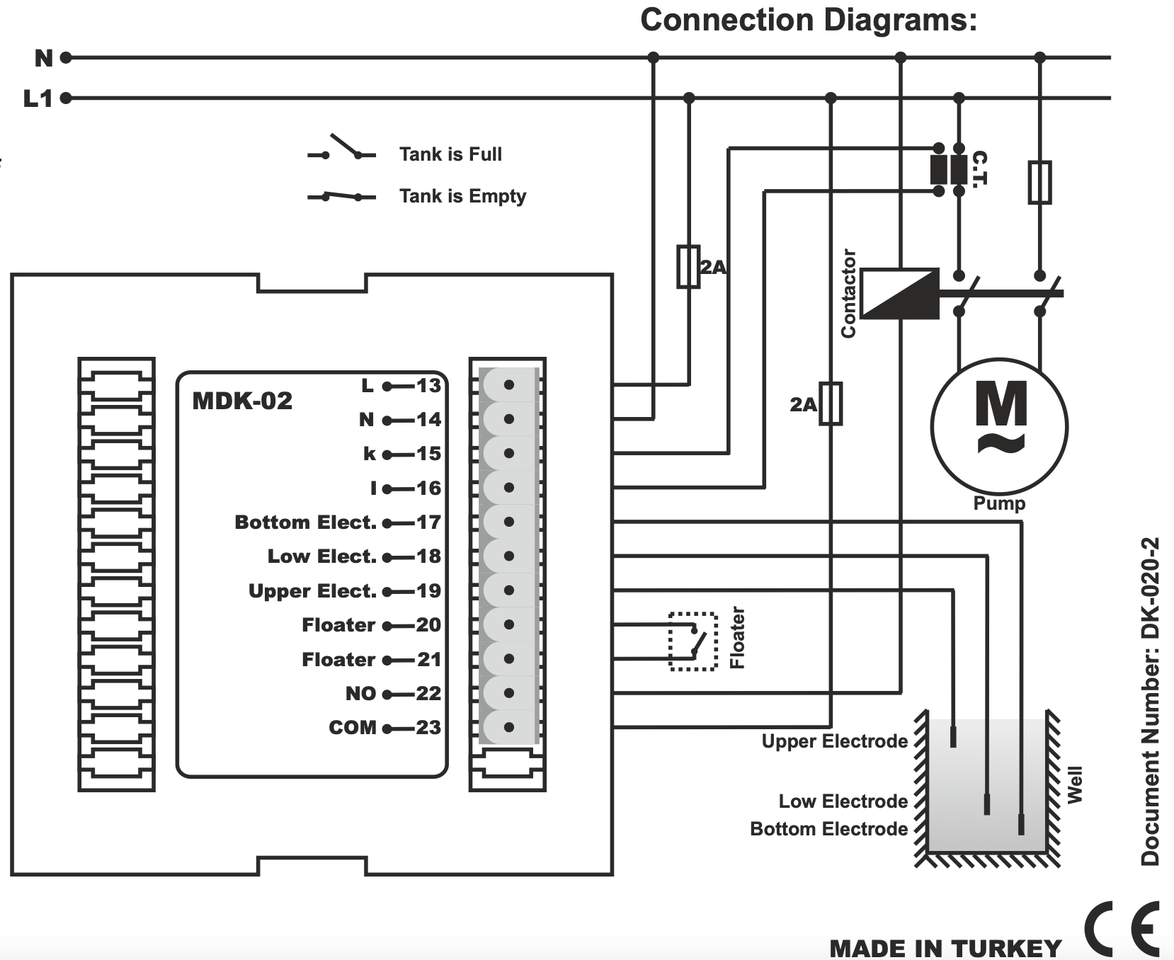
Borehole level gauge, well level gauge, tank level gauge / Single-phase protection relay – submersible pump controller, pump protection, pump operation relay MDK-02 (TENSE)
- 1A – 30A submersible pump (measuring transformer included)
-
Ability to operate with 2 or 3 probes
-
High/low voltage protection
-
High/low current protection
Panel mounting
Additional information
Download on
Related products
Submersible pump control relay, well tank level indicator
1.019,00 lei – 1.092,00 leiPrice range: 1.019,00 lei through 1.092,00 lei
Select options
This product has multiple variants. The options may be chosen on the product page
ARS
Bafra
ByLion
NOAS