Releu de secvență hidrophore cu temporizator
321,00 lei
6 în stoc
Descriere
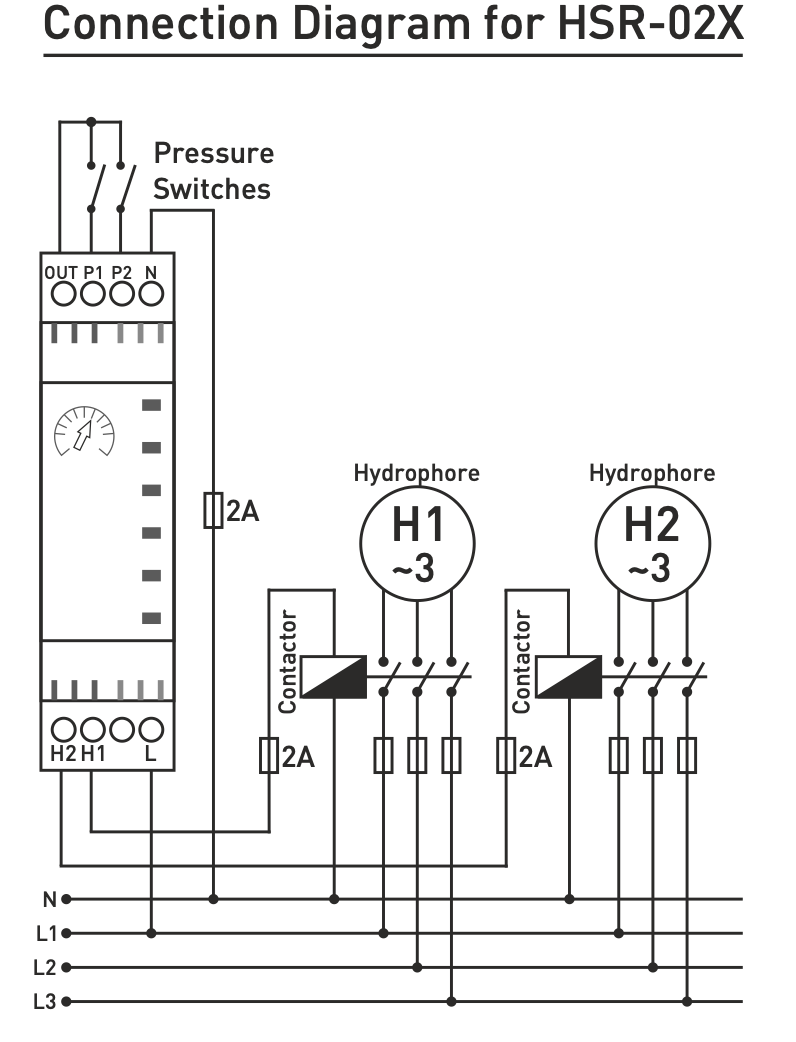
Releu secvențial Hydrophore cu temporizator pentru 2 pompe
Releele secvențiale Hydrophore sunt concepute pentru a controla numărul de boostere care ar trebui să funcționeze în funcție de presiune și pentru a se asigura că boosterul funcționează în același timp.
Informații suplimentare
Descărcare pe
Produse similare
Întrerupător de nivel cu plutitor pentru apă curată (umplere, scurgere), NO+NC, PVC
63,00 lei – 121,00 leiPrice range: 63,00 lei through 121,00 lei
Selectați opțiuni
This product has multiple variants. The options may be chosen on the product page
Releu de control al pompei submersibile, indicator al nivelului rezervorului
1.019,00 lei – 1.092,00 leiPrice range: 1.019,00 lei through 1.092,00 lei
Selectați opțiuni
This product has multiple variants. The options may be chosen on the product page
ARS
Bafra
ByLion
NOAS