Comutator automat Star-Triangle / Releu de timp Star-Triangle
161,00 lei
1 în stoc
Comutator automat Star-Triangle / Releu temporizat Star-Triangle 24VAC/DC - 240V AC cu 1 contact de comutare.
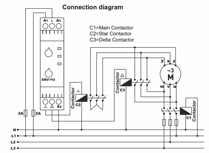
Întrerupătorul automat stea-triunghi - releele de timp stea-triunghi sunt concepute pentru a fi utilizate pentru pornirea inițială a motoarelor trifazate. Atunci când bobina este energizată, aceasta va comuta la cablarea în stea pentru a permite motorului să pornească. Steaua rămâne conectată pentru o perioadă de timp stabilită și apoi trece în modul de așteptare. După perioada de așteptare, permite comutarea la conexiunea delta. Prin urmare, oferă eficiență prin reducerea curentului consumat de motoarele care utilizează o putere mare în timpul pornirii.
Releul de timp se montează pe o șină DIN standard de 35 mm
Date tehnice
Interval de timp stea (t): 0,1sec - 30sec
Intervalul de timp al pauzei (toff): 10msec. - 500msec
Contact de comutare: max. 5A/250VAC
Frecvența de funcționare: 50/60 Hz.
Putere de funcționare: <6VA
Temperatura de funcționare: -20 °C .... +55 °C
ARS
Bafra
ByLion
NOAS